Электрика проект для деревянного дома
Тел: + 7 911 924 03 25

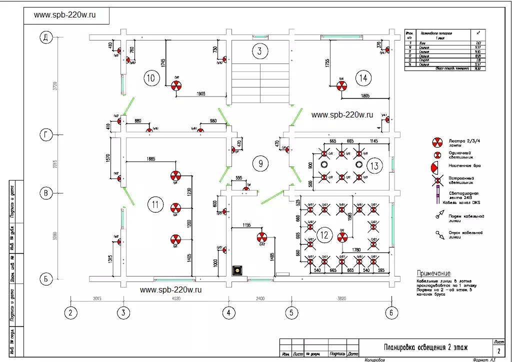
Схема электропроводки в частном доме.

Электрика под ключ по тех заданию должна быть из 161 электро точки (розетки, выключатели, светильники, распаечные коробки).

Проект разработан для разводки электрики в деревянном доме площадью 176 м2 по двум этажам. Частично монтаж электрисческого провода проводится в гофре по потолку и полам. И скрытым способом в просверлиных отверстиях в брусе в металлическом рукаве.

Для такого дома для разводки электро проводов мы отдельно рассчитываем нагрузки на линии и собираем электро шкаф с необходимым количеством электрических автоматов и УЗО согласно распределиния нагрузок (от автомата к точке потребления).

проект скрытой разводки электрики в доме из бруса проект скрытой разводки электрики в доме из бруса проект скрытой разводки электрики в доме из бруса проект скрытой разводки электрики в доме из бруса проект скрытой разводки электрики в доме из бруса проект скрытой разводки электрики в доме из бруса проект скрытой разводки электрики в доме из бруса проект скрытой разводки электрики в доме из бруса проект скрытой разводки электрики в доме из бруса проект скрытой разводки электрики в доме из бруса проект скрытой разводки электрики в доме из бруса проект скрытой разводки электрики в доме из бруса проект скрытой разводки электрики в доме из бруса проект скрытой разводки электрики в доме из бруса проект скрытой разводки электрики в доме из бруса проект скрытой разводки электрики в доме из бруса проект скрытой разводки электрики в доме из бруса проект скрытой разводки электрики в доме из бруса проект скрытой разводки электрики в доме из бруса проект скрытой разводки электрики в доме из бруса проект скрытой разводки электрики в доме из бруса проект скрытой разводки электрики в доме из бруса проект скрытой разводки электрики в доме из бруса проект скрытой разводки электрики в доме из бруса

В таблице (ведомость материалов) показаны количество и наименование основных материалов для монтажа электрики в данном деревянном доме скрытым способом.

В ведомости материалов не указанно оборудование и материалы для подключения освещения фасада дома (электро провода, гофра, выключатели, светильники, установочные и распаечные коробки, электрические автоматы, датчики движения).

Так же не указано неоходимое количество электрических автоматов (по проекту нужно 36 шт. однополюсных, 2 трех полюсных и 4 диф автомата), но так как заказчик не решил какое отопление будет (электрическое или газовое), будет ли электрическая плита и духовка и т. д. расчеты будут сделаны дополнительно.

Проект скрытой разводки электрики в деревянном доме из бруса 170-180 м2 общей площади, разработан по СНИп, нормативам и ГОСТам от 12.04.2012 года, для жилых зданий и деревянных строений.

№ п/п Наимен. и техн. характ. Тип, марка Произв. Един. изм. Кол-во
1. Кабель силовой плоский однопр. ВВГ-Пнг(А)-LS3х1.5(N. PE) Конкорд м.п. 563
2. Кабель силовой плоский однопр. ВВГ-Пнг(А)-LS3х2.5(N. PE) Конкорд м.п. 496
3. Метрукав в ПВХ оболочке (50м) Р3-ЦП-НГ-18 Промрукав шт. 7
  4. Лента перфор. PVA 12х1.00 (30м) PVA 12х1.00 SORMAT шт. 4
5. Коробка установ. блочная 68х42мм HEGEL шт. 80
6. Выкл. автомат. однопол. 6A B 4.5кА Easy9 Schneider Electric шт. &28
7. Выкл. автомат. однопол. 10A B 4.5кА Easy9 Schneider Electric шт. 26
8. Выкл. автомат. однопол. диффер. АВДТ1П + N16А30мА C AC Schneider Electric шт. 10
9. Выкл. автомат. однопол. 16A C 4.5кА EASY 9 Schneider Electric шт. 5
10. Корпус метал. ЩРн-2х36з-1 74 У2 IP54 PRO ЩРн - 2х36з - 174У2IP5 IEK шт. 1

Стоимость проекта электрики и электромонтажных работ зависит от площади помещения, количества точек электропотребления и состава подключаемого электрооборудования (электро плиты, холодильники, варочные поверхности, микроволновые печи,).

Например в кирпичном или в здании из пенобетона (газобетона, пористого кирпича), методом штробления или открытым способом. В деревянном строении (в каркасном, из бруса, из бревна или лафета) в кабель каналах нужно развести наружную проводку или сделать внутреннюю по возможности.

Например скрытую проводку делаем в помещениях общепита (прокладываем электрические провода в гофре под полом или под потолком, в перегородках или в стенах каркасных и т. д.), скрытую проводку делаем в металлической гофре, в трубе из металла с заземлением (обязательно для общественных мест) или в пластиковой гофре, это тоже влияет на стоимость.

Фото наших работ по разводке (монтажу, прокладке) электрики в деревянных домах из бруса и бревна в Ленинградской области.

электрика под ключ в доме из бревна
Электрика под ключ в доме из бревна 100 м. кв. подробнее
монтаж ретро проводки в доме из бревна
Монтаж ретро проводки в доме из бревна 280 м2 подробнее
монтаж ретро проводки в доме из бруса
Монтаж ретро проводки в доме из бруса 120 м2 подробнее
монтаж электрики в доме из бруса
Монтаж электрики в доме из бруса 130 м2, скрытая и кабель каналы подробнее
монтаж электрики в каркасной бане
Разводка и подключение электрики в каркасной бане 16 м.кв. подробнее
разводка электрики в каркасном доме
Разводка и подключение электрики в каркасном доме 120 м. кв. подробнее
электрика в доме из бревна
Электромонтаж сделан в доме из бревна 120 м. кв. подробнее
электрика под ключ в частном доме из газобетона
Электрика под ключ в частном доме 250 м2 из газобетона подробнее
электрика в доме из бруса
Разводка электрики в доме из клееного бруса 200 м. кв. подробнее


Электромонтажные работы в Санкт-Петербурге и Ленобласти. Оставляйте заявку на сайте, чтобы получить консультацию или расчёт своего проекта. Опыт работы 20 лет. Электрика под ключ за 10-12 дней в доме 100 м2.

Скидка на монтаж электрики в квартире или загородном доме.

При монтаже электрики в зависимости от объема, Мы существенно сделаем Вам скидку.

заказать расчет
Сервис обратного звонка RedConnect